งาน เขียนแบบ Solidwork (Drawing) ด่วน! บริษัท โฟล-เทค เอ็นจิเนียริ่ง จำกัด
เขียนแบบ Solidwork (Drawing) ด่วน!

จังหวัด กรุงเทพมหานคร (เขตบางขุนเทียน)

อัตราค่าจ้าง 17,000 บาทขึ้นไป(หรือตามประสบการณ์)

รูปแบบงาน งานประจำ (Full Time)

อัตรา 1

รายละเอียดงาน
เขียนแบบ ชิ้นส่วน PART และสินค้า ด้วย โปรแกรม Solidwork

คุณสมบัติผู้สมัคร

  1. ปริญญาตรี สาขาเครื่องกลโรงงาน, การจัดการอุตสาหกรรม หรือ ที่เกี่ยวข้อง
  2. เพศชาย อายุ 23-35 ปี
  3. มีความรู้โปรแกรมเขียนแบบ Solid work และเขียน Drawing ชิ้นส่วน อะไหล่ ฯ
  4. สามารถใช้โปรแกรม Microsoft Office ได้ดี
  5. หากมีประสบการณ์ด้านงานเขียนแบบ จะพิจารณาเป็นพิเศษ
  6. ยินดีรับนักศึกษาจบใหม่ และพร้อมที่จะเรียนรู้งาน

สวัสดิการ
ประกันสังคม, กองทุนเงินทดแทน, ชุดฟอร์ม, ท่องเที่ยวประจำปี, เบี้ยขยัน, ค่าเช่าบ้าน, โบนัส โอกาสเจริญเติบโตในตำแหน่งต่าง ๆ

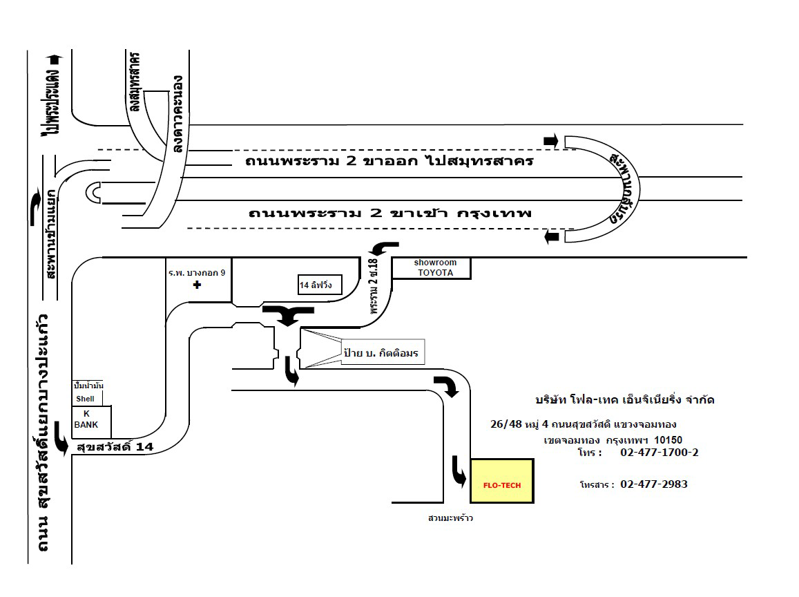
สถานที่ปฏิบัติงาน
บจก. โฟล-เทคฯ พระราม 2 ซ. 18 หรือ สุขสวัสดิ์ 14/20

วิธีการรับสมัครงาน
สมัคร Online, สมัครด้วยตนเอง หรือ หรือส่งอีเมล์มาที่ [email protected] สอบถามเพิ่มเติมโทร 089 2356669 หรือ 02 4771700-2 ต่อ 100 ,

หมายเหตุ
สอบถามข้อมูลเพิ่มเติมได้ที่ โทร. 0892356669 ติดต่อแผนกบุคคล

บริษัท โฟล-เทค เอ็นจิเนียริ่ง จำกัด
เลขที่ 47 ซอยสุขสวัสดิ์14/18 แขวงจอมทอง เขตจอมทอง (เดิมคือซอยสุขสวัสดิ์ 14/20 เลี้ยวซ้ายที่ 3แยก อยู่สุดซอย) กรุงเทพมหานคร 10150
ติดต่อ คุณ อรรถกานต์ ธรรมสุวรรณา หรือ คุณ ฐนิดา บุญสอน
โทรศัพท์ : 02-477 1700-2
แฟกซ์ : 02-4772983
เว็บไซต์ : http://www.flotech.co.th

รายละเอียดบริษัท
เป็นบริษัทอุตสาหกรรมขนาดกลาง ผลิตอุปกรณ์ไฮดรอลิกซ์นิวเมติกส์จำหน่ายทั้งในประเทศและต่างประเทศ ดำเนินกิจการมากว่า 30 ปี กำลังขยายงานและปรับปรุงประสิทธิภาพ ต้องการรับผู้ร่วมงานที่รักความก้าวหน้า มีความกระตือรือร้น และแสวงหาความมั่นคงในการทำงาน

ที่มาจาก JobTH.com  วันที่ : 25 พฤศจิกายน 2568

หน. QC /QA

หน. QC /QA

กรุงเทพมหานคร (เขตบางขุนเทียน )

เจ้าหน้าที่จัดซื้อ/จัดจ้าง

เจ้าหน้าที่จัดซื้อ/จัดจ้าง

กรุงเทพมหานคร (เขตบางขุนเทียน )

ควบคุมเครื่องจักร GROB/เขียนแบบ SolidCAM 5 แกนได้

ควบคุมเครื่องจักร GROB/เขียนแบบ SolidCAM 5 แกนได้

กรุงเทพมหานคร (เขตบางขุนเทียน )

เขียนแบบ Solidwork (Drawing) ด่วน!

เขียนแบบ Solidwork (Drawing) ด่วน!

กรุงเทพมหานคร (เขตบางขุนเทียน )

ฝ่ายบุคคล(อายุไม่เกิน 35ปี)

ฝ่ายบุคคล(อายุไม่เกิน 35ปี)

กรุงเทพมหานคร (เขตบางขุนเทียน )

หัวหน้าแผนกคลังสินค้า(อายุไม่เกิน 40 ปี)

หัวหน้าแผนกคลังสินค้า(อายุไม่เกิน 40 ปี)

กรุงเทพมหานคร (เขตบางขุนเทียน )

เขียนวงจร PLC และวงจรไฟฟ้าเครื่องจักร

เขียนวงจร PLC และวงจรไฟฟ้าเครื่องจักร

กรุงเทพมหานคร (เขตบางขุนเทียน )

ช่างซ่อมบำรุง

ช่างซ่อมบำรุง

กรุงเทพมหานคร (เขตบางขุนเทียน )

เขียนแบบ Solidwork (Drawing) ด่วน!

เขียนแบบ Solidwork (Drawing) ด่วน!

กรุงเทพมหานคร (เขตบางขุนเทียน )

นักศึกษาฝึกงานด้านเทคโนโลยีการพิมพ์

นักศึกษาฝึกงานด้านเทคโนโลยีการพิมพ์

กรุงเทพมหานคร (เขตบางขุนเทียน )

วิศวกร ด่วนมาก

วิศวกร ด่วนมาก

กรุงเทพมหานคร (เขตบางขุนเทียน )

วิศวกรฝ่ายผลิต ควบคุม ซ่อมบำรุง

วิศวกรฝ่ายผลิต ควบคุม ซ่อมบำรุง

กรุงเทพมหานคร (เขตบางขุนเทียน )

ช่างคุมเครื่องฉีดพลาสติก

ช่างคุมเครื่องฉีดพลาสติก

กรุงเทพมหานคร (เขตบางขุนเทียน )

ผู้เชี่ยวชาญโดรน ควบคุมโดรน

ผู้เชี่ยวชาญโดรน ควบคุมโดรน

กรุงเทพมหานคร (เขตบางขุนเทียน )

JobTH.com
บริษัท เน็ต แอดเวอร์ไทซิ่ง จำกัด
เลขที่ประจำตัวผู้เสียภาษี 0-1055-48148-53-1

ติดตามเรา
        

ลงโฆษณาติดต่อได้ที่
โทร : 02-001-8800, 061-390-7800, 02-351-0087
แฟกซ์ : 02-001-8804 - 05

มีปัญหาการใช้งาน

วันเวลาทำการ
จันทร์-ศุกร์ : 8:00-17:00  เสาร์ 9:00-16:00

Copyright 2008-2025, All Rights Reserved.